
|
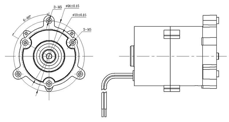
Motor model:LSM-BL72 (inner rotor motor+controller/內轉子(zǐ)無(wú)刷(shuā)電機+控製器) |
|||
|
Rated Voltage: 額定電壓 |
18-48 V |
Rated output power: 額定功率(lǜ) |
35-150 W |
|
Rated speed: 額定轉速 |
1000-3000 RPM |
Rated toque: 額定扭矩 |
0.15-0.5 N.M |
|
Efficiency: 效(xiào)率 |
81% |
Authentication: 認證 |
UL、CE |
|
Aplication area: 應用領域 |
Household electri tool、pump 家電用具(jù)、泵類 |
||


